Расчет размерных цепей

Термины и определения
1. Основные понятия

Размерная цепь - совокупность размеров, непосредственно участвующих в решении поставленной задачи и образующих замкнутый контур.


Обозначение: прописная буква русского или строчная буква греческого (кроме букв α, δ, ξ, λ, ω) алфавитов без индексов.

Примеры.
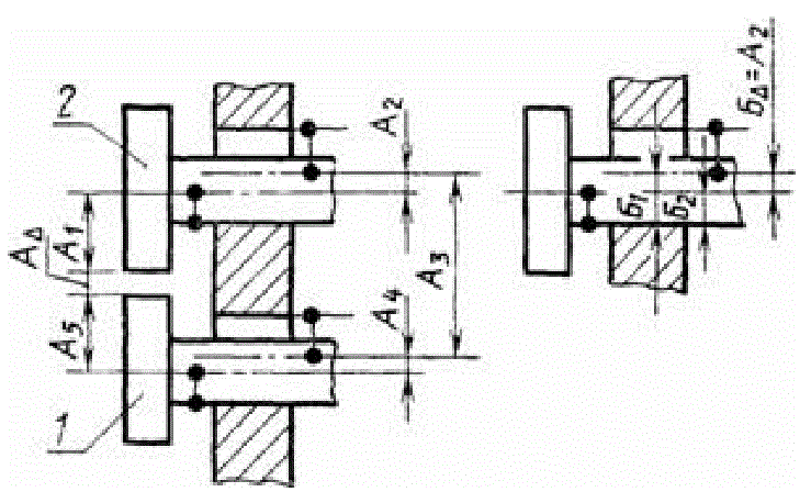
Задача: обеспечить совпадение оси заднего центра токарного станка с осью переднего центра в вертикальной плоскости.
Размерная цепь А, определяющая расстояние А∆  между осями заднего и переднего центров
                       токарного станка в вертикальной плоскости
Рисунок 1 - Размерная цепь А, определяющая расстояние А∆ между осями заднего и переднего центров токарного станка в вертикальной плоскости.

Задача: получить в результате обработки требуемый размер радиуса валика.
Размерная цепь В, определяющая размер В∆  радиуса валика, изготовляемого на токарном станке.
Рисунок 2 - Размерная цепь В, определяющая размер В∆ радиуса валика, изготовляемого на токарном станке.

Звено размерной цепи - один из размеров, образующих размерную цепь.

Обозначение: прописная буква русского или строчная буква греческого (кроме букв α, δ, ξ, λ, ω) алфавитов с индексом.
Звено размерной цепи
Рисунок 3 - Звено размерной цепи.

База - поверхность или выполняющее ту же функцию сочетание поверхностей, ось, точка, принадлежащая заготовке или изделию и используемая для базирования.


2. Звенья размерных цепей.

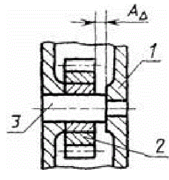
Замыкающее звено - звено размерной цепи, являющееся исходным при постановке задачи или получающееся последним в результате ее решения.

Обозначение: прописная буква русского или строчная буква греческого (кроме букв α, δ, ξ, λ, ω) алфавитов с индексом ∆.

А∆ - замыкающее звено
Рисунок 4 - А∆ - замыкающее звено.
Замыкающее звено
Рисунок 5 - А∆ - замыкающее звено.

Составляющее звено - звено размерной цепи, функционально связанное с замыкающим звеном.

Увеличивающее звено - составляющее звено размерной цепи, с увеличением которого замыкающее звено увеличивается.

Уменьшающее звено - составляющее звено размерной цепи, с увеличением которого замыкающее звено уменьшается.

Замыкающее звено
1 - втулка; 2 - вал: А∆ -зазор;
А1 - уменьшающее звено; А2 - Звенья размерной цепи.
Рисунок 6 - Звенья размерной цепи.

Компенсирующее звено - составляющее звено размерной цепи, изменением значения которого достигается требуемая точность замыкающего звена.

Обозначается соответствующей буквой, заключенной в прямоугольник.

Компенсирующее звено
Рисунок 7 - A1 - компенсирующее звено.

Общее звено - звено, одновременно принадлежащее нескольким размерным цепям. Обозначение формируется из обозначений звеньев размерных цепей, в которые входит данное звено со знаком равенства между ними.

Общее звено
Рисунок 8 - A3 = B1 - общее звено размерных цепей А и Б.

3. Виды размерных цепей

Основная размерная цепь - размерная цепь, замыкающим звеном которой является размер, обеспечиваемый в соответствии с решением основной задачи.

Производная размерная цепь - размерная цепь, замыкающим звеном которой является одно из составляющих звеньев основной размерной цепи.

Производная размерная цепь
Рисунок 9 - А - основная размерная цепь; Б - одна из производных размерных цепей (Б = А2, где А2 - одно из звеньев основной размерной цепи).

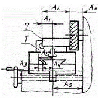
Конструкторская размерная цепь - размерная цепь, определяющая расстояние или относительный поворот между поверхностями или осями поверхностей деталей в изделии.

Технологическая размерная цепь - размерная цепь, обеспечивающая требуемое расстояние или относительный поворот между поверхностями изготавливаемого изделия при выполнении операции или ряда операций сборки, обработки, при настройке станка, при расчете межпереходных размеров.

Конструкторская размерная цепь
Рисунок 10 - 1 - приспособление; 2 - заготовка; А - размер, полученный в результате обработки.

Измерительная размерная цепь - размерная цепь, возникающая при определении расстояния или относительного поворота между поверхностями, их осями или образующими поверхности изготавливаемого или изготовленного изделия.

Линейная размерная цепь - размерная цепь, звеньями которой являются линейные размеры.

Угловая размерная цепь - размерная цепь, звеньями которой являются угловые размеры.


Обозначение звена угловой размерной цепи: строчная буква греческого алфавита (кроме букв α, δ, ξ, λ, ω) с индексом, соответствующим порядковому номеру звена.

Угловая размерная цепь
Рисунок 11 - Угловая размерная цепь β, определяющая параллельность поверхности 1 по отношению к поверхности 2.

Плоская размерная цепь - размерная цепь, звенья которой расположены в одной или нескольких параллельных плоскостях.

Пространственная размерная цепь - размерная цепь, звенья которой расположены в непараллельных плоскостях.

Параллельно связанные размерные цепи - размерные цепи, имеющие одно или несколько общих звеньев.

Параллельно связанные размерные цепи
Рисунок 12 - Параллельно связанные размерные цепи.

Последовательно связанные размерные цепи - размерные цепи, из которых каждая последующая имеет одну общую базу с предыдущей.

Последовательно связанные размерные цепи
а - а, б - б - общие базы
Рисунок 13 - Последовательно связанные размерные цепи.

Размерные цепи с комбинированной связью - размерные цепи, между которыми имеются параллельные и последовательные связи.

Размерные цепи с комбинированной связью
а - а, - общая база
Рисунок 14 - Размерные цепи с комбинированной связью.

4. Размеры и отклонения.

Номинальный размер - размер, относительно которого определяются предельные размеры и который служит также началом отсчета отклонений.

Истинный размер - размер, полученный в результате выполнения технологического процесса.

Измеренный размер - размер изделия, познанный в результате измерения.

Предельные размеры - два предельно допустимых размера, между которыми должен находиться или которым может быть равен действительный размер.

Наибольший предельный размер - больший из двух предельных размеров.

Наименьший предельный размер - меньший из двух предельных размеров.

Отклонение - алгебраическая разность между размером и соответствующим номинальным размером.

Верхнее отклонение - алгебраическая разность между наибольшим предельным и номинальным размерами.

Нижнее отклонение - алгебраическая разность между наименьшим предельным и номинальным размерами.

Допуск - разность между наибольшим и наименьшим предельными размерами или абсолютная величина алгебраической разности между верхним и нижним отклонениями.

Поле допуска - поле, ограниченное верхним и нижним отклонениями или наибольшим и наименьшим предельными размерами.

Координата середины поля допуска - координата, определяющая положение середины поля допуска относительно номинального размера.


5. Методы достижения точности замыкающего звена.

Метод полной взаимозаменяемости (метод max/min) - метод, при котором требуемая точность замыкающего звена размерной цепи достигается во всех случаях ее реализации путем включения составляющих звеньев без выбора, подбора или изменения их значений.

Метод неполной взаимозаменяемости - метод, при котором требуемая точность замыкающего звена размерной цепи достигается с некоторым риском путем включения в нее составляющих звеньев без выбора, подбора или изменения их значений.

Метод групповой взаимозаменяемости - метод, при котором требуемая точность замыкающего звена размерной цепи достигается путем включения в размерную цепь составляющих звеньев, принадлежащих к соответственным группам, на которые они предварительно рассортированы.

Метод пригонки - метод, при котором требуемая точность замыкающего звена размерной цепи достигается изменением значения компенсирующего звена путем удаления с компенсатора определенного слоя материала.

Метод регулирования - метод, при котором требуемая точность замыкающего звена размерной цепи достигается изменением значения компенсирующего звена без удаления материала с компенсатора.


6. Задачи и способы расчета размерных цепей.

Прямая задача - задача, при которой заданы параметры замыкающего звена (номинальное значение, допустимые отклонения и т.д.) и требуется определить параметры составляющих звеньев.

Обратная задача - задача, в которой известны параметры составляющих звеньев (допуски, поля рассеяния, координаты их середин и т.д.) и требуется определить параметры замыкающего звена.